class: center, middle # EE-281 Superposition & Homogeneity ## Ozan Keysan [ozan.keysan.me](http://ozan.keysan.me) Office: C-113
•
Tel: 210 7586 --- # Linear Circuits A circuit is linear if it satifies: -- - ## Superposition (Additive) Property: ## $$f(a + b) = f(a) + f(b)$$ -- - ## Homogeneity (Scaling) Property: ## $$f(Ka) = K f(a) $$ --- # Superposition
--- # Homogeneity
--- background-image: url(http://kamudenetcisi.files.wordpress.com/2014/05/3-kilo-10-tl-patates.jpg) --- # Superposition in Circuit Analysis ## The voltages and currents can be found as the corresponding values obtained by assuming only one source at a time, with all other sources turned off. --- # Steps for Superposition Method ## 1. Turn off all independent sources **except one**. -- ## 2. Calculate the output (voltage or current) due to that source. -- ## 3. Repeat Step 1 for each independent source. -- ## 4. Add the contribution of each source to find the total output. --- # How to turn of Sources? ## Voltage Source
--- # How to turn of Sources? ## Current Source
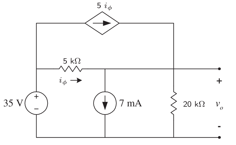
--- # Example #### Solve the following circuit using superposition method:
--- # Example
--- # Example
--- # Source Transformations ## Current and Voltage Sources can be Transformed -- ### Plot V-I Characteristics of the following circuits  --  --- # From Voltage Source to Current Source  --- # From Current Source to Voltage Source  --- # Simplify and Solve the Circuit
--- # Simplify and Solve the Circuit
--- # Simplify and Solve the Circuit
--- # Any questions? ## You can download this presentation from: [keysan.me/ee281](http://keysan.me/ee281)